Безплатно! Онлайн събитие: Научи тънкостите на добрия промпт за изображения Регистрация тук.
Въпрос към урок: Сграда с ивични фундаменти с настилка и без сутеренен етаж
от курс: Строителни конструкции по Еврокод
Коя стойност е меродавна за централната колона?
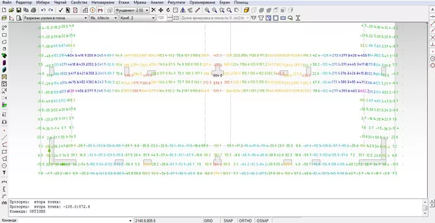
На първата картинка ивичния фундамент е моделиран като греда с правоъгълно сечение височина 80, ширина 200cm. На втората картинка ивичния фундамент е въведен като плоча с ширина 200 и височина 80см. Анализа е при еднакви условия във двата варианта: еднаква винклерова константа и капацитивна корекция 1.
Коя стойност е меродавната за определяне на надлъжната долна армировка на фундамента под централната колона : 1141 или 804 kNm? Опорните реакции под разглежданата колона, които не са показани на картинките, са почти еднакви Fz= 240 и 246.
При прътовия модел може ли да се прави редукция на РУ така както при модела с плочи ?


Двете стойности означават различни неща. Едното е общата армировка в ивицата за цялата ширина от 2 м в cm2, а другото е разпределена армировка в точка в cm2/m. Стойността при плочата е завишена заради концентрираната сила. Имаме право да осредним армировката за ширината на ивицата, което ще даде близки резултати. Средно от гредовия модел е 1140/2 = 570. Приблизително толкова ще получим и като осредним резултатите от плочата.
Вашият отговор
Запиши се в Аула
Ако вече имаш регистрация влез оттук