Какви приложения ще има към видео уроците на курса?
инж. Младенов, Освен файловете за отваряне и упражнения, ще има ли PDF като приложения скрийншот от урока?
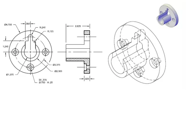
Пропуснах да приложа снимката, за която споменах:

След като изгледах и вторият Модул, разбрах че към последните два Урока има приложени JPG. Очаквам да има и в другите Модули. Надявам се, че ще бъдат приложени и такива за индивидуални упражнения, различни от тези, приложени и свързани със съответния Урок.
Едно предложение, от курса AutoCAD 3D има обекти които може да се пробваш да ги направиш със Solidworks.Интересно е да се направи съпоставка.
Благодаря за подсещането инж. Кръстев?
Тъй като съм изгледал само и втори модул, а вероятно е да има и други участници до този етап, ще приложа JPG на 3D обекти от уроците в AutoCAD, за упражнения с инструментите на SolidWorks, с които се запознахме дотук. Всъщност, моята идея беше да моделирам с AutoCAD 3D машинни детайли и обекти от SolidWorks, като вероятно ще има много по-сложни /като предполагам, че за много от тях, AutoCAD 3D няма да може да се справи/.





Тук може би наруших авторски права, за което се извинявам, като се надявам, че това все пак е в рамките на Aula.bg.
В края на модулите има обобщаващи задачи към наученото. Те са свързани с нещата, които са правени във уроците. Приветствам желанието ви да се упражнявате самостоятелно и с други задачи. Така ще постигнете добър напредък. Тези модели са подходящи, а може да използвате и неща от вашата сфера. Така ще развиете индивидуален подход за решаване на специфични задачи.
Здравейте Кога ще се започне с анализирането
Съгласен съм с инж. Георгиев. Убудих се, че индивидуалният подход е много важен при решаването на задачи.