Безплатно! Онлайн събитие: От претоварване с информация до фокус и структура с Gemini & NotebookLM Регистрация тук.
Въпрос към урок: Упражнения за чертане на геометрични фигури
от курс: AutoCAD Формула
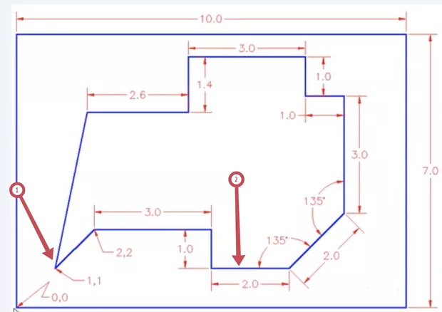
Защо фигурата ми е извън рамката, ако съм чертала с точни стойности... явно не съм
Мисля че точка 1,1 не ми е нещо на ред, и се чудех до като въвеждам точка 2,2 колко е наклонена самата линия...
Размерите ми излизат извън оразмерителната линия, извинявам се за лошия чертеж знам че изглежда ужасно, но това е максимума който успях да постигна. Всичко ми изглежда толкова объркано. Извинявам се за за възпосите които изглеждат простички но за мен са сложни! Благодаря предварително!

Фигурата изглежда, все едно не е започната от 1,1 а от по-високо и за това излиза. Отделно има нещо нередно - ако поглднеш задачата - долните две точки (1) и (2) са на едно ниво. При теб не са.

Вашият отговор
Запиши се в Аула
Ако вече имаш регистрация влез оттук